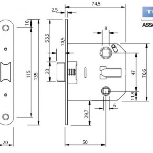
Picaportes

PICAPORTE 3000U 3000u PICAPORTE UNIFICADO AMIG"